Files Section
Notice
Files located in this section are provided by Pinball Makers users and are not tested and/or confirmed to be accurate, so use them at your own risk.
If you are aware of any specific files being inaccurate or broken, please contact the administrators.
Parts Lists
Molex KK Series connectors parts list: Media:molex-connectors.pdf
Diagrams
Drawings and other diagrams with dimensions not in CAD format.
Cabinet
| Image | Description | File |
|---|---|---|
|
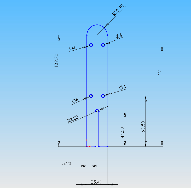
WPC Backbox (in millimeters) | Media:wpc-backbox-1.png |
|
WPC full cabinet cut guide for 4" x 8" plywood | Media:wpc-cabinet-1.png |
|
WPC Main cabinet side and back (in millimeters) | Media:wpc-cabinet-2.png |
|
WPC Cabinet front (in millimeters) | Media:wpc-cabinet-3.png |
|
WPC Cabinet front for multiple ball launchers (in millimeters) | Media:wpc-cabinet-4.png |
|
SYS7 Cabinet Upper (Pharaoh),Solidworks 2015 | Media:Pharaoh Cabinet Upper 3-6-2017.zip |
|
SYS7 Cabinet Upper (Pharaoh), PDF | Media:Pharaoh Cabinet Upper.pdf |
|
SYS7 Cabinet Lower (Pharaoh), PDF | Media:Pharaoh Cabinet Lower.pdf |
Playfield
| Image | Description | File |
|---|---|---|
|
WPC lower playfield dimensions (millimeter) | Media:williams-lower-playfield.png |
|
Williams Early Solid State lower playfield
C-size for sending to print store (inches) |
Media:Williams_early_SS_c_size.pdf |
|
Stern lower playfield
C-size for sending to print store (inches) |
Media:Stern_c_size.pdf |
Devices
| Image | Description | File |
|---|---|---|
|
Ball Trough (6-Ball) | Media:6balltrough.ai |
Schematics
Files for EagleCAD or general electronic schematics.
Original Equipment
| Image | Description | File |
|---|---|---|
|
Gottlieb System 3 Driver Board | Media:gottlieb-system-3.pdf |
|
WPC Switch Matrix design | Media:wpc-sw.pdf |
|
WPC Lamp Matrix design | Media:wpc-lamp.pdf |
|
WPC Solenoid design | Media:wpc-solenoid.pdf |
2D CAD Drawings
For use in AutoCAD or DraftSight when doing playfield layout.
Playfields
| Image | Description | File |
|---|---|---|
|
Williams Early SS playfield | Media:Williams_playfield.dwg |
|
Williams Early SS playfield for Sketchup | Media:Williams_Blank_Playfield.skp |
|
Bally SS Blank Playfield | Media:bally-blank.dwg |
|
Stern Modern Playfield | Media:Stern_playfield.zip |
Ball Guides
| Image | Description | File |
|---|---|---|
|
Ball Inlane Guide | Media:Ball Inlane Guide (left) - 550-5037-01.dwg |
|
Ball Lane Guide Top Double Sided (03-7034) and Star Posts (03-8319) w/5-16 in rubber | Media:Ball Lane Guide Top Double Sided - 03-7034 - and Star Posts - 03-8319 w 5-16 in rubber.dwg |
|
Metal Post 1 7/8" (530-5005-00) with 7/16" OD Mini Post Rubber (23-6694-1) | Media:Metal Post 1 7-8 in tall 530-5005-00 w 7-16 in OD Mini Post Rubber 23-6694-1.dwg |
|
Metal Post 2 1/8" (530-5332-01) with Bumper Post Sleeve 1 1/16" | Media:Metal Post 2 1-8 in tall 530-5332-01 w Bumper Post Sleeve 1 1-16 in.dwg |
|
Narrow Plastic Post (03-8365) with 3/16" rubber | Media:Narrow Plastic Post 03-8365 w 3-16 in rubber.dwg |
|
Spade Bolt (Offset) | Media:Spade Bolt (Offset).dwg |
|
Star Post (03-8319) | Media:Star Post - 03-8319.dwg |
|
Shooter Lane Insert | Media:shooter-lane.dwg |
Coil Assemblies
| Image | Description | File |
|---|---|---|
|
Ball Launcher (500-5477-01) | Media:Ball Launcher 500-5477-01.dwg |
|
Ball Trough Assembly 4 Ball (500-6119-14) and Enter Exit Scoop (535-7329-01) | Media:Ball Trough Assembly 4 Ball 500-6119-14 Enter Exit Scoop 535-7329-01.dwg |
|
Flipper Assembly (A-15205) w/left mounted flipper | Media:Flipper Assy - Williams A-15205 (Left).dwg |
|
Flipper Assembly (A-15205) w/right mounted flipper | Media:Flipper Assy - Williams A-15205 (Right).dwg |
|
Magnet Bracket (A-15257) and Magnet Coil (20-9247) | Media:Magnet Bracket A-15257 and Magnet Coil 20-9247.dwg |
|
Threaded Core Weld Assembly (515-6141-01) and Magnet Coil (20-9247) | Media:Threaded Core Weld Assembly 515-6141-01 and Magnet Coil 20-9247.dwg |
|
Pop Bumper Assembly Williams Bally | Media:Pop Bumper Assembly Williams Bally.dwg |
|
Slingshot Assembly (500-5849-00) | Media:Slingshot Assembly - 500-5849-00.dwg |
Inserts
| Image | Description | File |
|---|---|---|
|
Insert 1 1/2" Arrow | Media:Insert_1_1-2_in_Arrow.dwg |
|
Insert 1 1/2" Rectangle | Media:Insert_1_1-2_in_Rectangle.dwg |
|
Insert 1 1/2" Round | Media:Insert_1_1-2_in_Round.dwg |
|
Insert 1 3/16" Round | Media:Insert_1_3-16_in_Round.dwg |
|
Insert 1 3/16" Triangle | Media:Insert_1_3-16_in_Triangle.dwg |
|
Insert 1 5/8" Oval | Media:Insert_1_5-8_in_Oval.dwg |
Lights
| Image | Description | File |
|---|---|---|
|
44 Socket Under Playfield Long (077-5005-00) | Media:Socket Under Playfield Long 077-5005-00.dwg |
|
44 Socket Under Playfield Short (077-5002-00) | Media:Socket Under Playfield Short 077-5002-00.dwg |
|
89 Socket Under Playfield Short (077-5101-00) | Media:Socket Under Playfield Short 077-5101-00.dwg |
Switches
| Image | Description | File |
|---|---|---|
|
Rollover Switch and Bracket (A-12688) | Media:Rollover Switch and Bracket A-12688.dwg |
|
Spinner Assembly (A-21801-2) | Media:Spinner Assembly A-21801-2.dwg |
|
Stand Up Target Rectangle 1 1/16" (B-12001-4) | Media:Stand Up Target Rectangle 1 1-16 in - B-12001-4.dwg |
|
Stand Up Target Rectangle 1 1/16" (B-12001-4) Bank of 2 | Media:Stand Up Target Rectangle 1 1-16 in - B-12001-4 (Bank of 2).dwg |
|
Stand Up Target Rectangle 1 1/16" (B-12001-4) Bank of 3 | Media:Stand Up Target Rectangle 1 1-16 in - B-12001-4 (Bank of 3).dwg |
|
Drop Target Bank of 5 | Media:Drop Target Bank of 5.dwg |
3D templates
| Image | Description | File |
|---|---|---|
|
General P3-ROC Mounting Brackets - L/R (Coleman Martin) | File:P3-mount-left.stl / File:P3-mount-right.stl |
|
Computer Startup Shutdown Controller Bracket (Scott Danesi) | File:Cssc-spacer.stl |
|
P3-ROC Mounting Bracket (Scott Danesi) | File:P3rocspacer.stl |
|
SW16 Mounting Bracket (Scott Danesi) | File:Sw16spacer.stl |
|
PD16 Mounting Bracket (Scott Danesi) | File:Pd16spacer.stl |
|
PD-LED Mounting Bracket - Horizontal (Scott Danesi) | File:Pd-ledspacer.stl |
|
PD-LED Mounting Bracket - Vertical (Scott Danesi) | File:Pd-led-vspacer.stl |
|
Williams Pop Bumper Template | File:Pop-bumper-template.stl |
|
Williams Pop Bumper Template Center Holes | File:Pop-bumper-template-center.stl |
|
Williams Slingshot Template | File:Slingshot-template.stl |
|
Williams Slingshot Template Center Holes | File:Sling-template-center.stl |
Off the shelf parts
| Image | Description | File |
|---|---|---|
|
555 Lamp Socket 077-5030-00
Solidworks 2013 |
Media:Lamp Socket 077-5030-00.zip |
|
44 Socket Staple Down F1P-E-12-07-00
Solidworks 2013 |
Media:Lamp Socket F1P-E-12-07-00.zip |
|
44 Socket Under Playfield F1P-E-12-06-00
Solidworks 2013 |
Media:Lamp Socket F1P-E-12-06-00.zip |
|
44 Socket Under Playfield Short (Bally E-120-81)
Solidworks 2013 |
Media:Lamp Socket Bally E-120-81.zip |
| 44 Socket Under Playfield Flush (Bally E-120-99)
Solidworks 2013 |
Media:Lamp Socket Bally E-120-99.zip | |
|
44 Socket Under Playfield (Bally E-120-162)
Solidworks 2013 |
Media:Lamp Socket Bally E-120-162.zip |
|
44 Socket Under Playfield (Possibly Bally E-120-84)
Solidworks 2013 |
Media:Lamp Socket Bally- Possibly E-120-84.zip |
|
89 Lamp Socket A-8798
Solidworks 2013 |
Media:Lamp Socket A-8798.zip |
|
LED bulb
Solidworks 2014 |
Media:Led bulb.SLDPRT |
|
WPC Trough Assembly
Solidworks 2013 |
Media:WPC Trough.zip |
|
Shooter lane Kicker Assembly A-21022-1
Solidworks 2015 |
Media:Shooter Lane Kicker Assembly A-21022-1.zip |
|
WPC Pop Bumper Assembly
Solidworks 2013 |
Media:WPC Pop Bumper Assy B-9414.zip |
|
3 bank Drop Target SYS 7
Solidworks 2013 |
Media:3 Bank Drop Target ASSY D-7931-3S.zip |
|
3 bank Drop Target SYS11
Solidworks 2013 |
Media:3 bank Sys11 Drop Target Bank.zip |
|
5 Bank JD Drop Target Bank A-16947
Solidworks 2015 |
Media:5 Bank JD Drop Target Bank A-16947.zip |
|
Drop Target Wedge Top
Solidworks 2013 |
Media:Target 03-8033.SLDPRT |
|
Kicker Arm Slingshot Assembly B-12665
Solidworks 2013 |
Media:Kicker Arm Sllingshot Assembly B-12665.zip |
|
Kickout Hole Sys 7
Solidworks 2013 |
Media:Kickout Hole SYS7.zip |
|
Rollover Lane Switch Sys7
Solidworks 2015 |
Media:Switch Rollover - Sys7.zip |
|
Rollover Lane Microswitch
Solidworks 2013 |
Media:Rollover Lane Switch.zip |
|
Target 002
Solidworks 2013 |
Media:Target 002 Assy.zip |
|
Target 003
Solidworks 2013 |
Media:Target 003 Assy.zip |
|
Target 004
Solidworks 2013 |
Media:Target 004 Assy.zip |
|
Target 005
Solidworks 2013 |
Media:Target 005 Assy.zip |
|
Star Post 1" - PL-00172-OT
Solidworks 2013 |
Media:Star Post PL-00172-OT.SLDPRT |
|
Star Post 1-1/16"" - 03-8319-13
Solidworks 2013 |
Media:Star Post 1-1'16 -03-8319-13.SLDPRT |
|
Star Post 1-3/16"" - 03-8370-10
Solidworks 2013 |
Media:Star Post 1-3'16 -03-8370-10.SLDPRT |
|
Double Star Post - 1-1/2" 03-8130-9
Solidworks 2013 |
Media:Double Star Post 1-1^2 -03-8130-9.SLDPRT |
|
Double Star Post - 1-1/16" 03-8247-13
Solidworks 2013 |
Media:Double Star Post.SLDPRT |
|
Post Faceted 1" C-11561-20
Solidworks 2013 |
Media:Post Faceted 1 inch C-11561-20.SLDPRT |
|
Post Faceted 1-3/16" C-11562-20
Solidworks 2013 |
Media:Post Faceted 1-3`16 C-11562-20.SLDPRT |
|
Post 1" Concentric Fin C-951-4
Solidworks 2013 |
Media:Post 1 inch Concentric Fin C-951-4.SLDPRT |
|
Post 1-1/8" Concentric Fin C-952-7
Solidworks 2013 |
Media:Post 1-1`8 Concentric Fin C-952-7.SLDPRT |
|
Mini Post - Plastic 550-5052-02
Solidworks 2013 |
Media:Mini Post - Plastic 550-5052-02.SLDPRT |
|
Bumper Post 8-32 Thread at Bottom, 6-32 at Top 02-4056
Solidworks 2013 |
Media:Bumper Post 8-32 Thread bottom 6-32 at Top 024056.SLDPRT |
|
Mini Post 6-32 Thread 02-4195
Solidworks 2013 |
Media:Mini Post 6-32 Thread 02-4195.SLDPRT |
|
Mini Post 8-32 Thread
Solidworks 2013 |
Media:Mini Post 8-32 Thread.SLDPRT |
|
Mini Post 10-32 Thread
Solidworks 2013 |
Media:Mini Post 10-32 Thread.SLDPRT |
|
Post-Dual Ring 8-32 Thread at Bottom, 6-32 at top 02-4423
Solidworks 2013 |
Media:Post -Dual Ring 8-32 Thread 6-32 at top 02-4423.SLDPRT |
|
Threaded Post Screw 6-32 Top and Bottom, 1-5/8"
Solidworks 2013 |
Media:Threaded Post Screw 0001.SLDPRT |
|
Threaded Post Screw 6-32 Top and Bottom, 1-1/2"
Solidworks 2013 |
Media:Threaded Post Screw 0002.SLDPRT |
|
Rubber Post Cap
Solidworks 2013 |
Media:Rubber Post Cap.SLDPRT |
|
1" Round Insert - Smooth
Solidworks 2013 |
Media:Insert - 1 inch RND PL-1ROT.SLDPRT |
|
1-3/16" Round Insert - Smooth
Solidworks 2013 |
Media:Insert - 1-3`16 inch RND PL-1316RBT.SLDPRT |
|
5/8" Round Insert - Starburst Pattern
Solidworks 2013 |
Media:Insert - 5`8 inch RND PL-58ROS.SLDPRT |
|
3/4" Round Insert - Starburst Pattern
Solidworks 2013 |
Media:Insert - 3`4 inch RND PL-34RAS.SLDPRT |
|
1-1/2" Round Insert - Starburst Pattern
Solidworks 2013 |
Media:Insert - 1-1`2 inch RND PL-112ROT.SLDPRT |
|
3/4" Square Insert - Starburst Pattern
Solidworks 2013 |
Media:Insert - 3`4 inch Square PL-34SSB.SLDPRT |
|
1" Square Insert - Starburst Pattern
Solidworks 2013 |
Media:Insert - 1inch Square PL-1SSG.SLDPRT |
|
3/4 x 1-1/2" Rectangular Insert - "Grid" Pattern
Solidworks 2013 |
Media:Insert - 3`4 x 1-1`2 inch RECT PL-112REC-YT.SLDPRT |
|
3/4 x 1-5/8" Oval Insert
Solidworks 2013 |
Media:Insert - 1-5`8 inch OVAL PI-11234--OGT.SLDPRT |
|
1-3/6"" Triangular Insert - "Starburst" Pattern
Solidworks 2013 |
Media:Insert - 1-3`16 inch Tri PI-1316TOS.SLDPRT |
|
1-3/4 x 3/4"" Diamond Insert - "Starburst" Pattern
Solidworks 2013 |
Media:Insert - 1-3`4 inch Diamond PL-134DBT.SLDPRT |
|
1-1/2" Triangle Insert - "Starburst" Pattern PI-112TGT
Solidworks 2013 |
Media:Insert 1-1'2 inch Triangle PI-112TGT.SLDPRT |
|
2" Triangle Insert - "Starburst" Pattern PI-T2RT
Solidworks 2013 |
Media:Insert 2 inch Arrow PI-T2RT.SLDPRT |
|
2-1/2" Arrow Insert - 03-8359-9
Solidworks 2013 |
Media:Insert 2-1'2 inch Arrow 03-8359-9.SLDPRT |
|
Lightning Insert - PI-3-LO
Solidworks 2014 |
Media:Lightning_insert.SLDPRT |
|
Rollover Insert C-901
Solidworks 2013 |
Media:Rollover C-9901.zip |
| Lane Guide 03-8318-25
Solidworks 2013 |
Media:Lane Guide 03-8318-25.SLDPRT | |
| Lane Guide
Solidworks 2013 |
Media:Lane Guide.SLDPRT | |
| Ball Gate Assembly - RT A-8096-R
Solidworks 2013 |
Media:Ball Gate Assembly - RT A-8096-R.ZIP | |
|
Stern Spinner 511-5113-00
Solidworks 2014 |
Media:Stern-511-5113-00.zip |
| Ball Gate Assembly -
Solidworks 2013 |
Media:Gate Assy 0001.zip | |
|
Flipper Assembly WPC (coil is incorrect)
Solidworks 2013 |
Media:Flipper Assembly WPC.zip |
| Flipper Bat 2 Inch
Solidworks 2013 |
Media:Flipper Bat 2inch.zip | |
| Flipper Bat 3 inch
Solidworks 2013 |
Media:Flipper Bat 3inch.zip | |
|
Bally / Williams Bushing
Solidworks 2014 |
Media:03-7568 flipper bushing SW.SLDPRT |
|
Opto Base Mounting
Solidworks 2013 |
Media:Opto Base MTG.sldprt |
| Test PF shooter lane cut
Solidworks 2013 |
Media:Test PF 1.sldprt | |
|
Williams Inlane
Solidworks 2014 |
Media:Inlane_williams_plastic.SLDPRT |
|
Data East / SEGA / Stern
Solidworks 2014 |
Media:Inlane DE-sega-stern.SLDPRT |
|
Stern
Solidworks 2014 |
Media:Apron stern.SLDPRT |
Non Standard Parts
| Image | Description | File |
|---|---|---|
|
3d printable wireform bracket to be used with any 1/8" round material (ABS, steel, polyethylene tubing, etc)
Solidworks 2014 |
Media:Wireform bracket.SLDPRT |
|
3d printable loop da loop ramp
Solidworks 2014 |
Media:Loop_da_loop_ramp.SLDPRT |
|
3d printable vertical loopback ramp
Solidworks 2014 |
Media:Vertical loop ramp.SLDPRT |
































































































































